Гідравлічні гідростатичні кермові блоки M+S використовуються в тихохідних транспортних засобах, швидкість руху яких не перевищує 60 км/год, таких як: будівельні машини, вилкові навантажувачі, збиральні машини, позашляхова техніка та інші. Ці гідравлічні блоки підсилюють крутний момент на кермових колесах, без необхідності жорсткого механічного з'єднання.
Гідростатичний кермовий блок XY включає аксіально зміщений клапан і дозуючий насос в одному корпусі. Робоча рідина подається окремим насосом, а потім направляється дозуючим насосом у кермові циліндри. Рульовий блок XY виготовляється із вбудованими зворотними клапанами, і є опція для вбудованого запобіжного клапана на впуску.

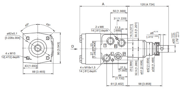
Розмір A: 144.5 мм
Купити насос-дозатор у Гідромаркеті — це переконатися в якісному та тривалому функціонуванні з гарантійним терміном.
Ми надаємо:
Hydromarket — Ваш надійний постачальник високоякісної техніки.