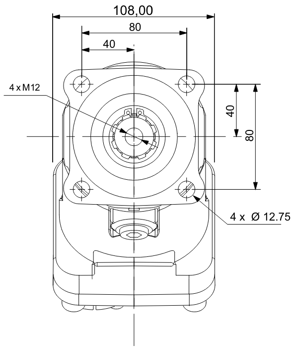
Нерегульований аксіально-поршневий насос з похилим блоком Hidrocel 2PBA лівого обертання (проти годинникової стрілки). Робочий об'єм складає 18 куб. см. Розрахований на роботу при номінальному тиску 350 бар і піковому 400 бар. Шліцьовий вал: 8-32-36 DIN ISO 14-NF.
| Робочий обсяг | 18.00 куб.см |
| Макс. безперервна швидкість | 2300 об/хв |
| Макс. обмежена швидкість | 2900 об/хв |
| Макс. постійний тиск | 350 бар |
| Макс. переривчастий піковий тиск | 400 бар |
| Макс. крутний момент при 350 бар | 105 Нм |
| Вага (без впускного фітинга) | 9.00 кг |
| Вага (з впускним фітингом) | 9.40 кг |
| Момент затягування (без впускного фітинга) | 8.75 Нм |
| Момент затягування (з впускним фітингом) | 9.19 Нм |
| Обертання | ↺ ліве (CCW) |
| Вхід та вихід | 3/4" |
| 2PBA 18 CC |



Насоси Hidrocel 2PBA призначені для використання у вантажних автомобілях, комерційних транспортних засобах та всіх стаціонарних гідравлічних пристроях. Фланець та вал призначені для безпосереднього монтажу на коробках відбору потужності вантажних автомобілів.
В аксіально-поршневих насосах 2PBA з вигнутим блоком поршні розташовані діагонально по відношенню до приводного валу. Конструкція осі з вигином під кутом 40 градусів забезпечує високу потужність, малі габарити, оптимальну ефективність та економічність.
Купити АПН насос Hidrocel 2PBA 18 L в Гідромаркеті — означає переконатися у якісному та тривалому функціонуванні з гарантійним терміном.
Ми надаємо:
Hydromarket — Ваш надійний постачальник високоякісної техніки.