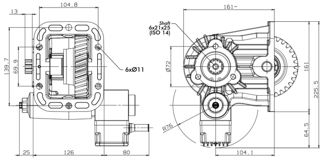
Коробка відбору потужності Hyva PTO ZF SL 3H E2 0128 F1.14 6S 420V (021214007) призначена для механічних коробок передач ZF 6S-420 V/5,152-0,799. Це механічний пристрій з електромагнітним керуванням, який забезпечує передачу потужності від коробки передач до гідравлічного насоса або компресора.
Hyva пропонує широкий асортимент коробок відбору потужності, які підходять для більшості вантажівок та коробок передач, забезпечуючи їх універсальне застосування.

Компанія Hyva була заснована майже 40 років тому. Сьогодні Hyva є одним із провідних світових постачальників високоефективних новаторських гідравлічних рішень для вантажних автомобільних перевезень. Компанія Hyva пропонує найпотужніші у світі фронтальні телескопічні гідроциліндри.
Hyva розробляє та виробляє повний асортимент телескопічних переворотних циліндрів для фронтального та під кузовного встановлення. Здатність підіймати вантаж до 90 тонн та виліт гідроциліндрів до 11 метрів задовольнить потреби в піднятті кузовів різноманітних розмірів та ваги. Усі циліндри Hyva розроблені з якісним покриттям штоків, та штоками з товстими стінками, щоб забезпечити більшу механічну міцність і, отже, більшу стабільність та оптимальну стійкість до навантажень.
Hyva пропонує величезний асортимент коробок відбору потужності, які використовуються для будь-яких типів підключення додаткового обладнання та для усіх моделей КПП різноманітних марок авто. У поєднанні з широким вибором насосів, клапанів, резервуарів для оливи та елементів керування в асортименті продукція Hyva є найкращим співвідношенням ціни та якості.
Компанія Hydromarket є офіційним представником Hyva та має сертифікат на гарантійне та сервісне обслуговування на території України.