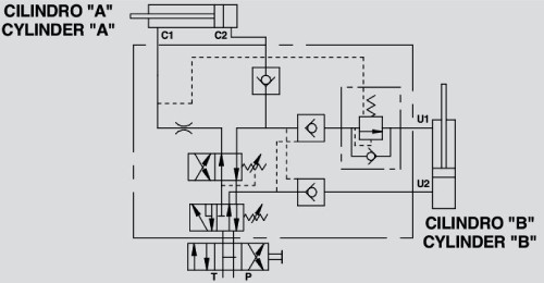
Клапан перевороту плуга VRAP SE SV спроектований для роботи з двома циліндрами, встановленими послідовно на оборотному плузі, щоб забезпечити автоматичне вирівнювання рами плуга та її перекидання.
Поворот рами здійснюється через верх, що дозволяє встановити колесо для буксирування. Клапан призначений для використання з двома різними розмірами циліндрів: 70/80 мм та 80/100 мм. Принцип роботи такий: спочатку вирівнюючий циліндр вирівнює навантаження. Після досягнення кінцевої точки ходу він активує перекидальний циліндр, починаючи обертання. Потім вирівнюючий циліндр повертає плуг у робоче положення.

Ці клапани поставляються з тиском обміну 150 бар: відповідно до ваших вимог налаштування тиску можна змінити за допомогою регулятора.
| Характеристика | Значення |
|---|---|
| Код виробника | V0340 | VRAP 80/100 SE SV |
| Максимальний тиск обміну | 230 бар |
| Максимальний тиск | 400 бар |
| Матеріал корпусу | оцинкована сталь |
| Внутрішні частини | загартована та шліфована сталь |
| Ущільнення | BUNA N |
| Контроль витоків | керований тарілчастий клапан |
| Вага | 4.760 кг |
| HYDRO-PACK VRAP SE SV |

| C1 - C2 U1 - U2 |
L | L1 | L2 | L3 | H | S |
| G 3/8” | 94 мм | 58 мм | 30 мм | 142 мм | 80 мм | 80 мм |
Компанія Гідромаркет піклується про своїх клієнтів, тому ми продаємо гідравліку, якість якої перевірена часом, тисячами задоволених клієнтів та відповідає всім стандартам Європейської якості. HYDRO-PACK – це товари-аналоги за доступною ціною таких відомих брендів, як: Marzocchi, Casappa, Bosh Rextroth, Vivol. Це завжди про якість та інноваційні рішення, про комплекс продуктів для багатьох гідравлічних систем, про високу точність та надійність.
Гідромаркет є представником компанії HYDRO-PACK, тому гарантує найкращу ціну, високий сервіс, якість та швидку доставку. Наші фахівці допоможуть зробити професійний вибір аналогів.
Купуючи продукцію HYDRO-PACK у Гідромаркеті Ви отримуєте безперебійну роботу техніки на тривалий час з гарантією виробника.
Купити клапан VRAP 80/100 SE SV в Гідромаркеті — означає переконатися у якісному та тривалому функціонуванні з гарантійним терміном.
Ми надаємо:
Hydromarket — Ваш надійний постачальник високоякісної техніки.