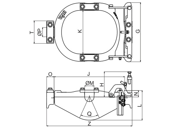
Колиска (люлька) під гідроциліндр HYVA серії UCB 149 з пневмообмежувачем
Гідравлічні підкузовні кріплення для циліндрів серії UCB - новинка HYVA розроблена для самоскидів з 2-стороннім і 3-стороннім розвантаженням. Їх основне призначення - це мало і середньогабаритні авто двома або трьома осями. Компактна конструкція циліндрів дозволяє встановлювати їх на шасі та причепі. Їх важливими перевагами є висока якість і потужність.
Переваги для кріплення циліндрів серії UCB Hyva:
- зносостійкість навіть у найсуворіших умовах,
- міцність, стійкість до навантажень,
- оптимальна маса,
- висока швидкість, короткий час розвантаження.
- взаємозамінні з багатьма кріпленнями представленими на ринку
Технічні характеристики UМ колиски:
| Артикул |
Опис |
G (мм) |
H (мм) |
J (мм) |
K (мм) |
L (мм) |
ØM (мм) |
N (мм) |
O (мм) |
ØP (мм) |
Q (°) |
T (мм) |
Z (мм) |
Вага (кг) |
| 73104033 |
UM 149-KOPN-PIN50-D50 |
310 |
137 |
330 |
210 |
152 |
50 |
37 |
39 |
50 |
60 |
122 |
410 |
26.7 |

Ці люльки використовуються для перекидання в 3 сторони і рекомендуються для перекидачів з 1 і 2 шляхами, щоб збільшити термін служби ущільнення циліндра. У комплект входять: Колиска; закриваючі пластини та кріплення.
Hydromarket — офіційний ексклюзивний представник HYVA в Україні!
Надійність світового лідера. Сервіс українського рівня.
HYVA — це якість, перевірена мільйонами вантажівок у 130 країнах світу.
Що означає справжня якість HYVA?
- Сертифікована продукція ISO 9001, ISO 14001, IATF 16949 — відповідність найвищим міжнародним стандартам якості, екології та автоіндустрії.
- Сталеві гідроциліндри з твердохромованими штоками — зносостійкість у найважчих умовах.
- Ресурс експлуатації гідроциліндрів HYVA — понад 20 000 робочих циклів без втрати продуктивності.
- Система автоматизованого контролю якості на виробництві HYVA — кожен виріб проходить перевірку тиском і герметичністю.
- Тестування продукції на кліматостійкість, корозію, вібрацію — гарантія надійної роботи при температурі від -40°C до +80°C.
- Компоненти HYVA встановлюються на техніку Mercedes-Benz, Volvo, Scania, MAN — довіра світових брендів.
HYVA — це еталон гідравліки. Hydromarket — ваша гарантія справжнього HYVA в Україні!
Купити колиску під гідроциліндр HYVA в Гідромаркеті — означає переконатися у якісному та тривалому функціонуванні з гарантійним терміном.
Ми надаємо:
- Безкоштовну консультацію провідних менеджерів компанії та допомогу у виборі техніки, яка працює на результат.
- Гарантію 12 місяців від виробника.
- Підтвердження надійності сертифікатами якості.
- Доставку в будь-який регіон України, Європи та інших країн, зручним для Вас способом.
Hydromarket — Ваш надійний постачальник високоякісної техніки.
Наявність уточнюйте у менеджера!
Доданий: 16 січня 2026, 10:50
Оновлений: 16 січня 2026, 08:25