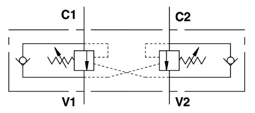
Двосторонні гальмівні (підпірні) клапани VBCD DE A використовуються для забезпечення плавного руху навантажених компонентів гідросистеми. Крім того, ці клапани виконують функцію двостороннього гідрозамку, обмежуючи максимальний тиск у гідросистемі і тим самим запобігаючи кавітації.
Моделі типу "А" відрізняються розташуванням портів підключення на корпусі та використанням зміненого пілотного співвідношення.

Налаштування клапана має бути щонайменше на 30% більшим за максимально можливий тиск у робочому контурі. Стандартне налаштування: 320 бар.
| Характеристика | Значення |
|---|---|
| Код виробника | V0435 | VBCD 3/4” DE A |
| Максимальний потік | 100 л/хв |
| Максимальний тиск | 350 бар |
| Коефіцієнт управління (pilot ratio) | 1:5.5 |
| Матеріал корпусу | оцинкована сталь |
| Внутрішні частини | загартована та шліфована сталь |
| Ущільнення | BUNA N |
| Температура масла | 50 °C |
| В'язкість масла | 30 сСт |
| Вага | 3.8 кг |
| HYDRO-PACK VBCD DE A |

| V1 - V2 C1 - C2 |
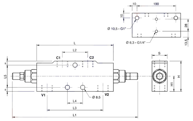
L | L1 | L2 | L3 | L4 | L5 | H | H1 | S |
| G 3/4” | 190 мм | 304 мм | 65 мм | 143 мм | 44 мм | 64 мм | 80 мм | 40 мм | 35 мм |
Компанія Гідромаркет піклується про своїх клієнтів, тому ми продаємо гідравліку, якість якої перевірена часом, тисячами задоволених клієнтів та відповідає всім стандартам Європейської якості. HYDRO-PACK – це товари-аналоги за доступною ціною, таких відомих брендів, як Marzocchi, Casappa, Bosh Rextroth, Vivol. Це завжди про якість та інноваційні рішення, комплекс продуктів для багатьох гідравлічних систем, високу точність і надійність.
Гідромаркет є представником компанії HYDRO-PACK, тому гарантує найкращу ціну, високий сервіс, якість та швидку доставку. Наші фахівці допоможуть зробити професійний вибір аналогів.
Купуючи продукцію HYDRO-PACK у Гідромаркеті Ви отримуєте безперебійну роботу техніки на тривалий час із гарантією виробника.
Купити гальмівний клапан VBCD 3/4“ DE A в Гідромаркеті — означає переконатися у якісному та тривалому функціонуванні з гарантійним терміном.
Ми надаємо:
Hydromarket — Ваш надійний постачальник високоякісної техніки.