Гідравлічні підкузовні кріплення для циліндрів серії UCB - новинка HYVA розроблена для самоскидів з 2-стороннім і 3-стороннім розвантаженням. Їх основне призначення — це мало і середньогабаритні вантажні автомобілі з двома або трьома осями. Компактна конструкція циліндрів дозволяє встановлювати їх на шасі та причепі. Їх важливими перевагами є висока якість і потужність.
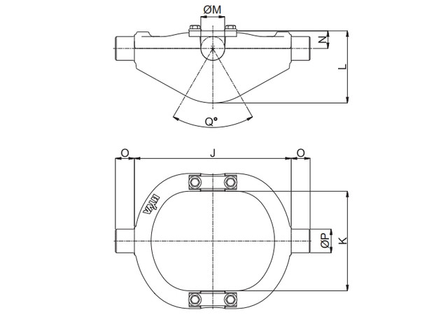
| Артикул | Опис | J (мм) | K (мм) | L (мм) | ØM (мм) | N (мм) | O (мм) | ØP (мм) | Q (°) | Вага (кг) |
|---|---|---|---|---|---|---|---|---|---|---|
| 73104021 | UM 129-PIN50-D45 | 280 | 180 | 135 | 45 | 35 | 39 | 50 | 60 | 13.8 |

Ці люльки використовуються для 3-ходових перекидачів і рекомендуються для 1- і 2-ходових перекидачів, щоб збільшити термін служби ущільнення циліндра. У комплект входять: Люлька; закривають пластини та кріплення. Примітки: Кронштейни (приварні або болти) замовляються окремо
Hydromarket — офіційний ексклюзивний представник HYVA в Україні!
Надійність світового лідера. Сервіс українського рівня.
HYVA — це якість, перевірена мільйонами вантажівок у 130 країнах світу.
Що означає справжня якість HYVA?
HYVA — це еталон гідравліки. Hydromarket — ваша гарантія справжнього HYVA в Україні!
Купити колиску під гідроциліндр HYVA в Гідромаркеті — означає переконатися у якісному та тривалому функціонуванні з гарантійним терміном.
Ми надаємо:
Hydromarket — Ваш надійний постачальник високоякісної техніки.
Наявність уточнюйте у менеджера!