Гідроциліндр серії GHS від виробника Hidromas є високоякісним гідравлічним пристроєм, спроектованим для застосування у фронтальних навантажувачах та іншій будівельній техніці. Цей гідроциліндр має ефективний діаметр 175 мм та 5 штоків, загальний хід 7100 мм
Особливістю даної моделі є наявність вуха, що спрощує її інтеграцію та кріплення до робочої машини. Виготовлений з використанням надміцних матеріалів та технологій, цей гідроциліндр гарантує довгий термін служби та виняткову продуктивність в найважчих будівельних умовах.
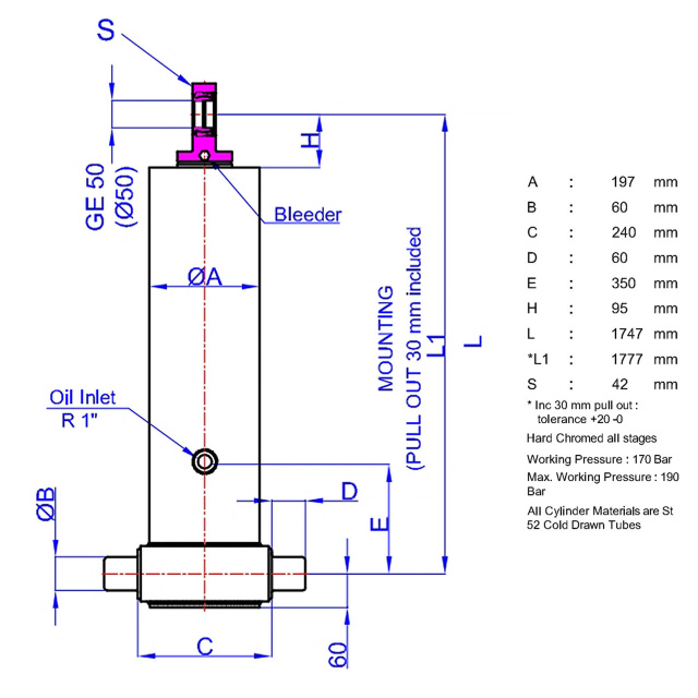
| Артикул | 43175571003 |
| Опис | GHS 175-5-7100-L1747 С |
| Тип | С - фронтальний з вухом |
| Ефективний діаметр | 175 мм |
| Кількість штоків | 5 |
| Хід поршня | 7100 |
| Діаметр штока | 197 мм |
| Діаметр вуха | GE 50 (Ø50) |
| Об'єм (см3) | 124,5 |
| Вхід мастила | R 3/4" |
| Вага | 290 кг |

Вы можете не только купить у нас гидравлические цилиндры по доступной цене, но и оценить профессиональное обслуживание со скидкой в нашем СТО от настоящих специалистов с многолетним опытом.
По договоренности возможно и выездное обслуживание.
Пока Вы наслаждаетесь вкусным кофе или чаем, мы быстро и качественно решаем ваши проблемы с гидравликой!
Звоните нам прямо сейчас!
Купити гідроциліндр GHS 175-5-7100-L1747 С у Гідромаркеті — означає переконатися у якісному та тривалому функціонуванні з гарантійним терміном.
Ми надаємо:
Hydromarket — Ваш надійний постачальник високоякісної техніки.
Наявність уточнюйте у менеджера!