UA MarketКиївГИДРОМАРКЕТТовари та послугиГидравликаКріплення гідроциліндра HIDROMAS нижнє праве 47000101
Меню каталогу
Контакти
Ми в соціальних мережах

Кріплення гідроциліндра HIDROMAS нижнє праве 47000101

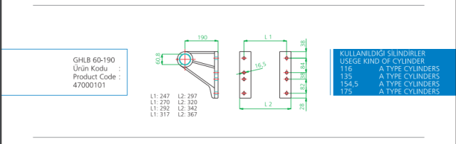
Нижнє праве кріплення 47000101 для гідроциліндрів Hidromas Кріплення 47000101, відоме також як GHLB 60-190, розроблено спеціально для встановлення на нижній...
Код товару: 0А-48026
5949.72 UAH
Ціна: 5949.72 грн. /шт.
Під замовлення, 10 днів
  • Детальний опис
  • Характеристики
  • Залишити відгук

Нижнє праве кріплення 47000101 для гідроциліндрів Hidromas

Кріплення 47000101, відоме також як GHLB 60-190, розроблено спеціально для встановлення на нижній правій стороні гідроциліндра. Його основне завдання полягає у надійній фіксації гідроциліндра у певному положенні, забезпечуючи тим самим безпечну та ефективну роботу гідравлічної системи. Цей компонент є важливим елементом для забезпечення стабільності та функціональності гідроциліндрів, що суттєво підвищує продуктивність гідравлічного обладнання у різних сферах застосування.

Код продукту для цього кріплення - 47000101 (GHLB 60-190). Воно сумісне з гідроциліндрами типу A 116, 135, 154.5 та 175, що робить його універсальним та придатним для широкого спектру гідравлічного обладнання. Завдяки своїй надійності та простоті установки, кріплення 47000101 стає невід'ємним компонентом, що забезпечує ефективну роботу гідролінії в різних умовах експлуатації.

Купити кріплення гідроциліндра Hidromas у Гідромаркеті — означає переконатися у якісному та тривалому функціонуванні з гарантійним терміном.

Ми надаємо:

  • Безкоштовну консультацію провідних менеджерів компанії та допомогу у виборі техніки.
  • Гідравліка, яка працює на результат.
  • Ми надаємо гарантію на гідравлічне обладнання від заводу виробника.
  • Забезпечуємо постачання без затримок в обумовлений термін.
  • Підтвердження надійності сертифікатами якості.
  • Доставку в будь-який регіон України, Європи та інших країн СНД, зручним для Вас способом.

Hydromarket — Ваш надійний постачальник високоякісної техніки.

Наявність уточнюйте у менеджера!

Доданий: 16 січня 2026, 10:28
Оновлений: 16 січня 2026, 08:25
© 2015 - 2026 ГИДРОМАРКЕТ Поскаржитися на зміст
Створити сайт безкоштовно
Сайт створений на платформі UA MarketUA Market