Клапан скидання тиску зі сталевим корпусом Hyva 01319885
Регульований запобіжний клапан із корпусом із сталі Hyva 01319885 підходить для використання з тиском до 350 бар та з'єднанням 3/4", номінальна витрата масла становить 100 л/хв.
Цей компонент є критично важливим, використовується як пристрій обмеження тиску в простих дволінійних системах.
Рекомендації з експлуатації клапана Hyva 01319885
- Встановіть клапан відповідно до інструкцій з монтажу Hyva.
- Використовуйте правильні шайби та адаптери в портах, щоб запобігти деформації корпусу. Не використовуйте адаптери з конічним різьбленням.
- Щоб додатково запобігти деформації корпусу клапана, поверхня монтажної пластини повинна бути повністю рівною та плоскою.
- Не робіть зварювання на клапані.
- Максимальний момент затягування болтів при встановленні клапана - 20 Нм.
- Перед тестуванням зменшіть налаштування тиску. Встановіть новий тиск для кожної системи у випробувальному циклі.
Характеристики клапана скидання тиску Hyva 01319885
| Код продукту |
01319885 |
| Тип |
Прямої дії, клапанний, регульований |
| Матеріал корпусу |
Сталь |
| Вага |
2,4 кг |
| Гідравлічні з'єднання |
G¾" |
| Макс. робочий тиск |
350 бар |
| Макс. рекомендована витрата |
100 л/хв |
| Фільтрування |
< 50 мкм |
| Типи масла |
Мінеральна олія (DIN 51524 / 51525) |
| Діапазон в'язкості |
10 / 200 мм²/с |
| Температурний діапазон |
-25 / + 90 °C |

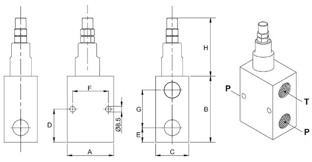
P : підключення насоса = ¾", T : підключення бака = ¾"
A: 70 мм, B: 100 мм, C: 50 мм, D: 50 мм, E: 22 мм, F: 54 мм, G: 57 мм, H: 76.5 мм
Hydromarket — офіційний ексклюзивний представник HYVA. Повний асортимент. Максимальний сервіс. Найбільший гіпермаркет Hyva в Україні!
Чому Hydromarket — №1 в Україні?
- Найбільший вибір HYVA — понад 1000 товарів на складі: гідроциліндри, насоси, клапани, мульти-ліфти, крани, комплектуючі.
- Оригінальна продукція напряму з заводів HYVA — жодного посередника.
- Гіпермаркет сервісу — професійна консультація, технічний супровід, сертифікований монтаж, ремонт і гарантія.
- Найшвидша логістика — доставка в кожне місто України, з власних складів.
- Найкращі ціни та постійні акції — все прозоро та чесно.
Все для гідравліки в одному місці. Швидко. Якісно. З гарантією.
Купити запобіжний клапан HYVA 01319885 в Гідромаркеті — означає переконатися у якісному та тривалому функціонуванні з гарантійним терміном.
Ми надаємо:
- Безкоштовну консультацію провідних менеджерів компанії та допомогу у виборі техніки.
- Гідравліку, яка працює на результат.
- Гарантію на гідравлічне обладнання від виробника.
- Постачання без затримок в обумовлений термін.
- Підтвердження надійності сертифікатами якості.
- Доставку в будь-який регіон України, Європи та інших країн, зручним для Вас способом.
Hydromarket — Ваш надійний постачальник високоякісної техніки.
Доданий: 16 січня 2026, 10:28
Оновлений: 16 січня 2026, 08:25