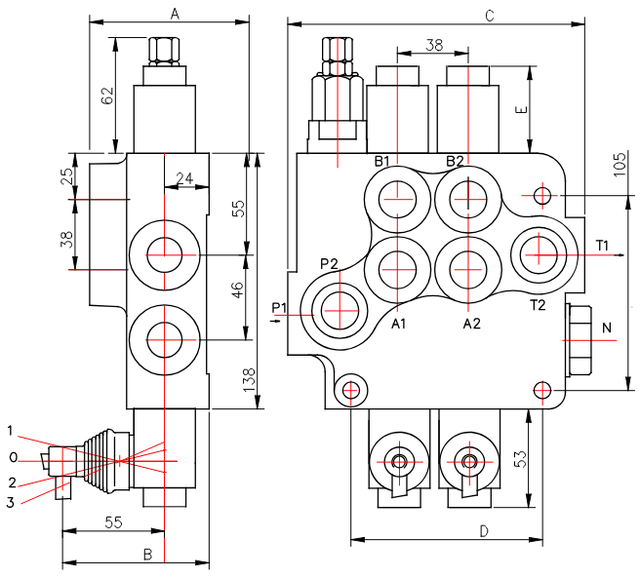
Болгарський моноблочний гідророзподільник Badestnost 3P80 з ручним керуванням, призначений для пуску, зупинки та контролю за витратою робочої рідини між генераторами напірного потоку (гідравлічні насоси) та споживачами робочого потоку рідини (гідроциліндри, гідромотори). Цей розподільник оснащений ручними золотниками, які можуть перемикатися у трьох положеннях за допомогою рукоятки. Корпус виготовлений із чавуну EN-GJL300. Плунжери виготовлені із навуглероженої сталі з твердим хромуванням. Монтаж: розподільник кріпиться трьома болтами M8.
Моноблочні гідравлічні розподільники 3P80 з плаваючою секцією часто застосовуються в мобільній гідравліці, наприклад, на будівельній або сільськогосподарській техніці. Вони надають оператору можливість контролювати напрям потоку рідини, його інтенсивність, а також фіксувати положення для зручності роботи або безпеки.
Наявність плаваючого положення дозволяє використовувати цю модель на сільськогосподарській та комунальній техніці, такій як борона, де потрібен певний режим роботи.
| Кількість робочих секцій | 3 |
| Номінальна витрата | 80 л/хв |
| Температура навколишнього середовища | -40°C...+60°C |
| Гідравлічна рідина | мінеральне масло/гідравлічне масло |
| В'язкість | 12...800 мм²/с |
| Температура рідини | -15°C...+80°C |
| Фільтрація | 10 NAS 1638 |
| Максимальний робочий тиск | P=315 бар; T=50 бар; A, B = 300 бар |
| Витік (A,B-T) | 6 см/sup3;/хв при 100 бар, 46 сСт |
| Хід золотника | 7 мм |
| Зусилля спрацьовування | < 220 Н |
| Детальна інформація | PDF, PDF2 |

| A | B | C | D | P1 | P2 | T1 | T2 |
| 80 мм | 94 мм | 198 мм | 141 мм | + | + | + | + |
Купити гідророзподільник трьохсекційний 3P80 в Гідромаркеті — означає переконатися у якісному та тривалому функціонуванні з гарантійним терміном.
Ми надаємо:
Hydromarket — Ваш надійний постачальник високоякісної техніки.