Гідравлічні підкузовні кріплення для циліндрів серії UCB - новинка HYVA розроблена для самоскидів з 2-стороннім і 3-стороннім розвантаженням. Їх основне призначення - це мало і середньогабаритні авто двома або трьома осями. Компактна конструкція циліндрів дозволяє встановлювати їх на шасі та причепі. Їх важливими перевагами є висока якість і потужність.
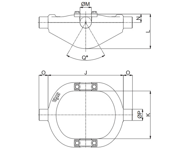
| Артикул | Опис | J (мм) | K (мм) | L (мм) | ØM (мм) | N (мм) | O (мм) | ØP (мм) | Q (°) | Вага (кг) |
|---|---|---|---|---|---|---|---|---|---|---|
| 73104011 | Колиска UL 110-PIN40-D40 | 230 | 152 | 112 | 40 | 32 | 39 | 40 | 60 | 8.3 |

Ці люльки використовуються для перекидання в 3 сторони і рекомендуються для перекидачів з 1 і 2 шляхами, щоб збільшити термін служби ущільнення циліндра. У комплект входять: Колиска; закриваючі пластини та кріплення.
Компанія Hyva була заснована майже 40 років тому. Сьогодні Hyva є одним із провідних світових постачальників високоефективних новаторських гідравлічних рішень для вантажних автомобільних перевезень. Компанія Hyva пропонує найпотужніші у світі фронтальні телескопічні гідроциліндри.
Hyva розробляє та виробляє повний асортимент телескопічних переворотних циліндрів для фронтального та під кузовного встановлення. Здатність підіймати вантаж до 90 тонн та виліт гідроциліндрів до 11 метрів задовольнить потреби в піднятті кузовів різноманітних розмірів та ваги. Усі циліндри Hyva розроблені з якісним покриттям штоків, та штоками з товстими стінками, щоб забезпечити більшу механічну міцність і, отже, більшу стабільність та оптимальну стійкість до навантажень.
Hyva пропонує величезний асортимент коробок відбору потужності, які використовуються для будь-яких типів підключення додаткового обладнання та для усіх моделей КПП різноманітних марок авто. У поєднанні з широким вибором насосів, клапанів, резервуарів для оливи та елементів керування в асортименті продукція Hyva є найкращим співвідношенням ціни та якості.
Компанія Hydromarket є офіційним представником Hyva та має сертифікат на гарантійне та сервісне обслуговування на території України.
Купити колиску під гідроциліндр HYVA в Гідромаркеті — означає переконатися у якісному та тривалому функціонуванні з гарантійним терміном.
Ми надаємо:
Hydromarket — Ваш надійний постачальник високоякісної техніки.
Наявність уточнюйте у менеджера!