Маслостанція Renman 24V-2.2kW 3.2CM³ 8L під будь-який гідроциліндр
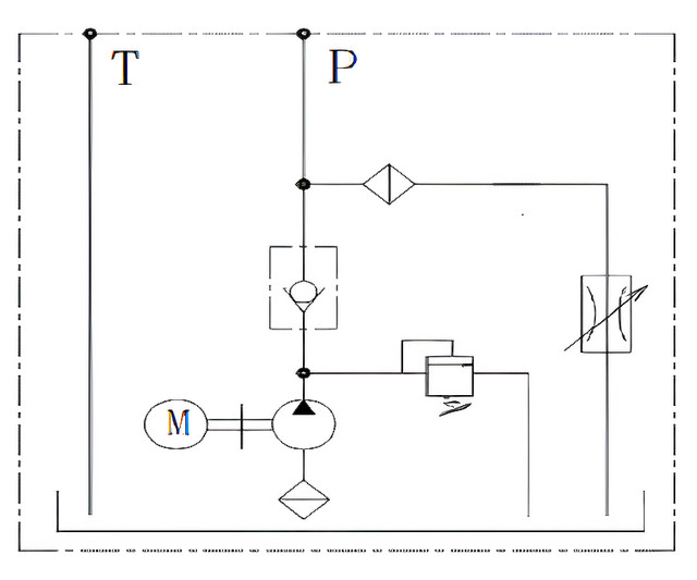
Міні-маслостанція Renman HP-D5-24V-2.2K-3.2C-8LH призначена для роботи з різними гідроциліндрами. Вона оснащена електромотором потужністю 2.2 кВт і працює при напрузі 24 В DC, швидкість обертання — 2600 об/хв, максимальний робочий тиск — до 160 бар. Насос станції має робочий об’єм 3.2 см3/об. Масляний бак об’ємом 8 літрів виготовлений зі сталі та має циліндричну форму. Пристрій монтується в горизонтальному положенні.

Технічні характеристики:
- Мотор: 24В, 2.2 кВт, 2600 об/хв
- Насос: 3.2 см³/об
- Управління:
- Електромагнітний клапан
- Зворотній клапан
- Запобіжний клапан
- Регулюючий клапан потоку
- Тиск: 16 МПа (160 бар)
- Бак: 18 л, Сталь 50106011401
- Монтаж: Горизонтальний
- Масляні порти: P = G3/8”, T = G1/4”

Купити міні-маслостанцію Renman в Гідромаркеті — означає переконатися у якісному та тривалому функціонуванні з гарантійним терміном.
Ми надаємо:
- Безкоштовну консультацію провідних менеджерів компанії та допомогу у виборі техніки.
- Гідравлічне обладнання, яке працює на результат.
- Гарантію на гідравлічне обладнання від виробника.
- Постачання без затримок в обумовлений термін.
- Підтвердження надійності сертифікатами якості.
- Доставку в будь-який регіон України, Європи та інших країн, зручним для Вас способом.
Hydromarket — Ваш надійний постачальник високоякісної техніки.
Доданий: 16 січня 2026, 10:26
Оновлений: 16 січня 2026, 08:25