
Дільник потоку серії DFL поділяє вхідний потік на дві однакові частини та об'єднує їх при зворотному русі рідини. Він використовується у випадках, коли два рівнозначні приводи, що працюють незалежно один від одного, отримують живлення від одного насоса і повинні переміщатися одночасно за допомогою одного пристрою, що управляє.

| Характеристика | Значення |
|---|---|
| Код виробника | V1026 | DFL 40 - 60 |
| Номінальна витрата | 40 л/хв |
| Максимальна витрата | 60 л/хв |
| Робочий тиск | 250 бар |
| Піковий тиск | 300 бар |
| Матеріал корпусу | оцинкована сталь |
| Внутрішні частини | загартована та шліфована сталь |
| Ущільнення | BUNA N, Tefon |
| Допуск похибки ходу циліндра | 3% від максимальної витрати |
| Вага | 1.94 кг |
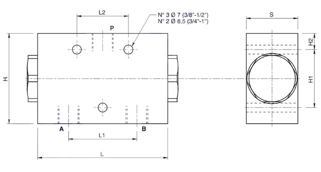
| HYDRO-PACK DFL |

| P | A - B | L | L1 | L2 | H | H1 | H2 | S |
| G 1/2” | G 3/8” | 117 мм | 53 мм | 40 мм | 70 мм | 45 мм | 12.5 мм | 40 мм |
Компанія Гідромаркет піклується про своїх клієнтів, тому ми продаємо гідравліку, якість якої перевірена часом, тисячами задоволених клієнтів та відповідає всім стандартам Європейської якості. HYDRO-PACK – це товари-аналоги за доступною ціною таких відомих брендів, як: Marzocchi, Casappa, Bosh Rextroth, Vivol. Це завжди про якість та інноваційні рішення, комплекс продуктів для багатьох гідравлічних систем, високу точність і надійність.
Гідромаркет є представником компанії HYDRO-PACK, тому гарантує найкращу ціну, високий сервіс, якість та швидку доставку. Наші фахівці допоможуть зробити професійний вибір аналогів.
Купуючи продукцію HYDRO-PACK у Гідромаркеті Ви отримуєте безперебійну роботу техніки на тривалий час з гарантією виробника.
Купити гідравлічний дільник потоку DFL 40-60 (60 л/хв) в Гідромаркеті — означає переконатися у якісному та тривалому функціонуванні з гарантійним терміном.
Ми надаємо:
Hydromarket — Ваш надійний постачальник високоякісної